Join our Whatsapp Channel
Insights | Direct Info | No filter
Insights | Direct Info | No filter
VISIT US!
Open every Saturday 10 am – 4 pm
$658.00 USD
We’ll procure your desired item just for you – even during temporary shortages.
Delivery time: 14 to 45 working days
OS-1EK02
🛒 No hidden costs — everything transparent at checkout!
Twint, PayPal, credit cards & Klarna invoice
Not sure? Send us a quick message — we’ll help right away.
The new OSSPEED B21 Ongaro V3 Edition is based on the proven B2105 engine and has been equipped with additional features to celebrate Davide Ongaro's third world championship title.
Further developments of the OSSPEED B2105
OSSPEED's off-road racing engine has been further developed. The B2105, now in the fifth generation of the B21 series, has been specifically optimized for demanding off-road racing. It not only offers more power to secure an advantage in challenging racing situations, but also a better driving feel. The changes allow for smoother rotation. Furthermore, the lighter external cooling head ensures improved drivability.
Features of the OSSPEED B2105 Ongaro V3 Edition:
!!! Note: None of the V3 Edition parts are available separately. The motor is only available as a combination set.
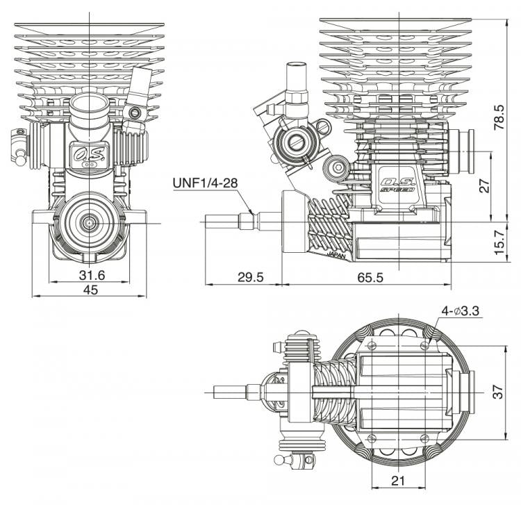
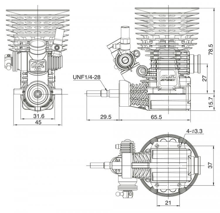
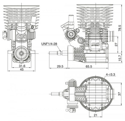
Detailed specifications:
Technical improvements in detail:
Cooling head
Double anodizing in black and gold according to Ongaro's specifications.
Laser engraving with "V3" logo for an exclusive design.
Venturi reducer
Gold plated (24K), based on the model used by Ongaro during the World Championship.
crankcase
Special engraving and shiny logos on both sides.
Cylinder/piston
The B2105 uses a three-port design. The shape of the ports has been adjusted to improve air-fuel mixture flow, resulting in higher torque.
crankshaft
DLC (Diamond-Like Carbon) coating and a revised inner shape not only improve the performance characteristics but also the rotational stability.
back wall
The B2104's back plate with a specially treated pressure plate reduces wear caused by friction between the connecting rod and the back plate, which extends the service life.
Standard accessories:
Glow plug: OSSpeed T-P3 Gold.
Venturi: 6.5mm, 24K gold plated.
Sealing ring for exhaust.
Dust cap set: 3, 16 & 18 mm.
Exhaust system: TB02 EFRA2089 (T-2090SC) + MB01-75 manifold.
The Ongaro V3 Edition combines precise technology and exclusive features for maximum off-road performance!

$658.00 USD
As an official importer for many of our suppliers, we have direct access to their inventory. If a product is out of stock, we order it directly from our partners to guarantee you the best possible availability.
We will process your order immediately and request it from the relevant manufacturer or supplier. As an authorized dealer, we receive priority delivery so your product arrives as quickly as possible.
As soon as your product arrives, it will be packaged and shipped immediately. We work with reliable logistics partners to ensure smooth delivery.
Your payment is protected, and you can rely on secure processing. Through our direct collaboration with manufacturers and suppliers, we ensure that you receive your product reliably.
Whether you are an experienced pilot or a beginner - at RCXX.shop you will find everything your RC heart desires. Our product range extends from high-end models to high-quality spare parts and accessories. With years of experience and genuine enthusiasm for RC sport, we are at your side with specialist knowledge and the best advice.
Our large warehouse guarantees high availability of your desired products. Order today and benefit from our lightning-fast shipping. No long waits, no frustration - just unpack and get started!
RC model building is our passion! Our experienced team is on hand to provide you with know-how, tips and professional support. Whether you have technical questions or are looking for the perfect setup - we will help you quickly and easily.